5.8 简单计算机举例
通过一个简单计算机的运行,熟悉上述内容的工作。
5.8.1 构成
CPU
数据寄存器,16个16位数据寄存器,地址为,记为R0到R15。
控制单元包括程序计数器PC(一个8位寄存器)和指令寄存器IR(一个16位寄存器)主存
包含256个16位的存储单元,地址为
前64个存储单元用来存储程序,剩余存储单元用来存储数据输入/输出子系统
键盘,内存映射寻址,地址为
监视器,内存映射寻址,地址为

5.8.2 指令集
共有16条指令,每条指令由两部分组成:操作码和操作数,操作码代表要进行哪一条指令。
指令是16位,分成4个4位的域。最左边是操作码域,其它3个域含有操作数或操作数的地址。
指令列表
处理指令
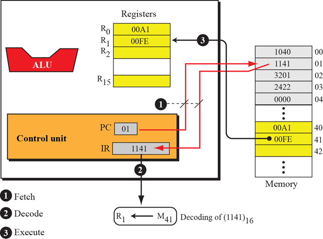
取指令
译码
执行
举例:C=A+B
两个加数放入内存单元中,结果放入另外的内存单元。
CPU只能操作寄存器中的数据,所以程序指令如下:
把内存M40的内容装入寄存器R0( R0 ← M40 )
把内存M41的内容装入寄存器R1( R1 ← M41 )
相加R0和R1的内容,结果放入R2中( R2 ← R0 + R1 )
把R2的内容放入M42中( M42 ← R2 )
停机
译码

5.8.3 指令周期
周期1
周期2
周期3
周期4
周期5
